


Baomain Kompakter, dünner pneumatischer Luftzylinder der SDA 12-Serie, Bohrung 12 mm, Anschluss M5
1000 Auf Lager
- Normaler Preis
- $7.79
- Verkaufspreis
- $7.79
- Normaler Preis
-
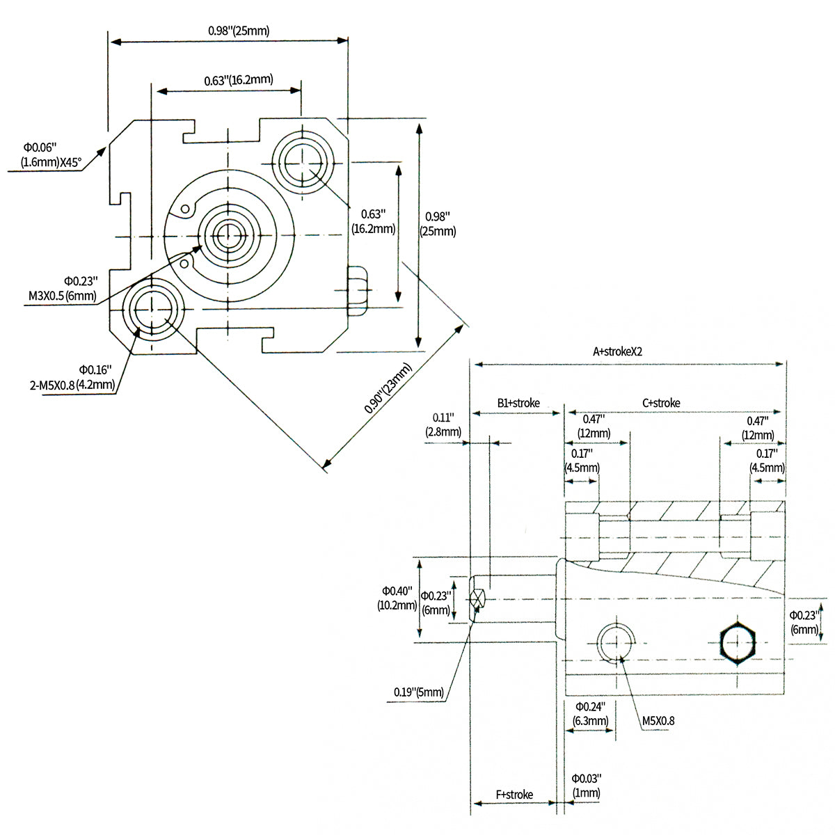
Der kompakte, dünne Zylinder benötigt wenig Platz für die Installation und ist leicht zu warten und zu demontieren. Er verfügt über einen Steckschlitz für die Installation eines Magnetschalters, mit dem der Magnetschalter an jeder beliebigen Stelle befestigt werden kann. Der Luftzylinder muss nicht geschmiert werden und eignet sich für den Einsatz an Orten mit wenig Platz für die Installation.
- Bohrung: 12mm
- Anschlussgröße: M5
- Bewegungstyp: Doppelte Aktion
- Maximaler Betriebsdruck: 1,0 MPa
- Außendurchmesser der Kolbenstange: 6 mm/ 0,24"
- Durchmesser des Montagegewindes: 4,2 mm/ 0,165 Zoll